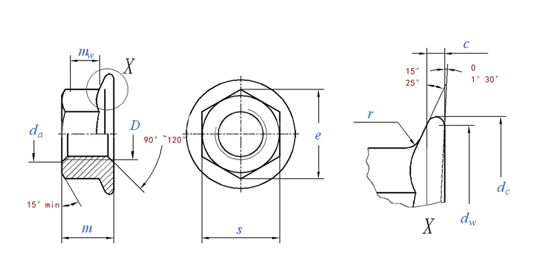
| P |
Pitch |
Coarse teeth |
| Fine teeth 1 |
| Fine teeth 2 |
| c |
Minimum |
| da |
Minimum |
| Maximum |
| dc |
Maximum |
| dw |
Minimum |
| e |
Minimum |
| m |
Maximum |
| Minimum |
| mw |
Minimum |
| s |
Maximum value = nominal |
| Minimum |
| r |
Maximum |
|
| 0.8 |
1 |
1.25 |
1.5 |
1.75 |
2 |
2 |
2.5 |
| / |
/ |
1 |
1.25 |
1.5 |
1.5 |
1.5 |
1.5 |
| / |
/ |
/ |
(1.0) |
(1.25) |
/ |
/ |
/ |
| 1 |
1.1 |
1.2 |
1.5 |
1.8 |
2.1 |
2.4 |
3 |
| 5 |
6 |
8 |
10 |
12 |
14 |
16 |
20 |
| 5.75 |
6.75 |
8.75 |
10.8 |
13 |
15.1 |
17.3 |
21.6 |
| 11.8 |
14.2 |
17.9 |
21.8 |
26 |
29.9 |
34.5 |
42.8 |
| 9.8 |
12.2 |
15.8 |
19.6 |
23.8 |
27.6 |
31.9 |
39.9 |
| 8.79 |
11.05 |
14.38 |
16.64 |
20.03 |
23.36 |
26.75 |
32.95 |
| 5 |
6 |
8 |
10 |
12 |
14 |
16 |
20 |
| 4.7 |
5.7 |
7.6 |
9.6 |
11.6 |
13.3 |
15.3 |
18.9 |
| 2.2 |
3.1 |
4.5 |
5.5 |
6.7 |
7.8 |
9 |
11.1 |
| 8 |
10 |
13 |
15 |
18 |
twenty one |
twenty four |
30 |
| 7.78 |
9.78 |
12.73 |
14.73 |
17.73 |
20.67 |
23.67 |
29.67 |
| 0.3 |
0.36 |
0.48 |
0.6 |
0.72 |
0.88 |
0.96 |
1.2 |
|