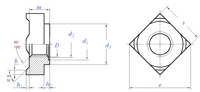
| P |
Coarse teeth |
| Fine teeth 1 |
| Fine teeth 2 |
| b |
Nominal |
| Maximum |
| Minimum |
| d1 |
Minimum value = nominal (H13) |
| Maximum |
| d2 |
Maximum |
| d3 |
Minimum |
| e |
Minimum |
| h1 |
Nominal |
| Maximum |
| Minimum |
| h2 |
Minimum |
| Maximum |
| m |
Maximum value = nominal (h13) |
| Minimum |
| s |
Maximum value = nominal (h13) |
| Minimum |
| Thousand pieces weight kg |
| Guaranteed load (N) |
Coarse teeth |
| Fine teeth 1 |
| Fine teeth 2 |
|
| 0.7 |
0.8 |
1 |
1.25 |
1.5 |
/ |
/ |
1.75 |
2 |
2 |
| / |
/ |
/ |
1 |
1 |
/ |
/ |
1.25 |
1.5 |
1.5 |
| / |
/ |
/ |
/ |
1.25 |
- |
- |
1.5 |
- |
- |
| 0.8 |
1.0 |
1.2 |
1.5 |
1.8 |
1.8 |
2.0 |
2.0 |
2.5 |
2.5 |
| 0.95 |
1.15 |
1.35 |
1.65 |
2.0 |
2.0 |
2.2 |
2.2 |
2.7 |
2.7 |
| 0.65 |
0.85 |
1.05 |
1.35 |
1.6 |
1.6 |
1.8 |
1.8 |
2.3 |
2.3 |
| 5 |
6 |
7.5 |
10 |
12.5 |
12.5 |
13.5 |
13.5 |
16.8 |
18.8 |
| 5.18 |
6.18 |
7.72 |
10.22 |
12.77 |
12.77 |
13.77 |
13.77 |
17.07 |
19.13 |
| 4.2 |
5.25 |
6.3 |
8.4 |
10.5 |
11.7 |
11.7 |
12.6 |
14.7 |
16.8 |
| 6.4 |
8.2 |
9.1 |
12.8 |
15.6 |
15.6 |
17.4 |
17.4 |
20.4 |
22.4 |
| 9 |
12 |
13 |
18 |
twenty two |
twenty two |
25 |
25 |
28 |
32 |
| 0.6 |
0.8 |
0.8 |
1 |
1.2 |
1.2 |
1.4 |
1.4 |
1.4 |
1.6 |
| 0.7 |
0.9 |
0.9 |
1.1 |
1.3 |
1.3 |
1.5 |
1.5 |
1.5 |
1.7 |
| 0.5 |
0.7 |
0.7 |
0.9 |
1.1 |
1.1 |
1.3 |
1.3 |
1.3 |
1.5 |
| 0.4 |
0.6 |
0.7 |
1.1 |
1.25 |
1.25 |
1.75 |
1.75 |
1.75 |
2 |
| 1.3 |
1.5 |
1.8 |
2.0 |
2.2 |
2.2 |
3.0 |
3.0 |
3.2 |
4.0 |
| 3.5 |
4.2 |
5 |
6.5 |
8 |
9 |
9 |
9.5 |
11 |
13 |
| 3.2 |
3.9 |
4.7 |
6.14 |
7.64 |
8.64 |
8.64 |
9.14 |
10.57 |
12.57 |
| 7 |
9 |
10 |
14 |
17 |
17 |
19 |
19 |
twenty two |
twenty four |
| 6.64 |
8.64 |
9.64 |
13.57 |
16.57 |
16.57 |
18.48 |
18.48 |
21.48 |
23.48 |
| 0.81 |
1.70 |
2.40 |
6.50 |
11.30 |
12.5 |
16.5 |
16.5 |
26.7 |
35.8 |
| 6800 |
11000 |
15500 |
28300 |
44800 |
- |
- |
65300 |
89700 |
123000 |
| - |
- |
- |
30200 |
50200 |
- |
- |
72100 |
97500 |
132000 |
| - |
- |
- |
- |
47800 |
53600 |
53600 |
68200 |
- |
- |
|